Introducing Ceramic Capacitors for Use in Factory Automation (FA)

Image of Factory Automation

In the area of factory automation (FA*1), the smart factory trend has led to a heightened need for smaller devices, improved reliability and higher heat resistance. While in the area of ceramic capacitors, the commercialization of products that are compatible with a wider capacitance range and that support higher withstanding voltage specifications is being promoted.

Here, we introduce examples of circuits, for power supplies and inverters that are actually used in FA applications.

*1 FA: Factory Automation

Main points in recommending multilayer ceramic capacitors

Factory Automation Block Diagram

Factory Automation Block Diagram
Fig. 1 Factory Automation Block Diagram

The above figure shows a general block diagram illustrating factory automation.

FA is made up of PLCs, inverter drivers, AC servomotors, various power supplies, and other devices.
This page provides circuit examples for AC/DC and DC/DC converters, examples of inverter circuits, and examples of power supplies for circuit breakers.

Example of Applied Circuit (AC/DC converter, DC/DC converter)

AC/DC DC/DC Converter Block Diagram
Fig. 2 AC/DC DC/DC Converter Block Diagram

The above is an example of a general circuit for an AC/DC converter and a DC/DC converter.

(1) Safety Certified capacitors are required for AC line filters (C1, C2) and coupling capacitors (C3) in primary and secondary coupling.
Our new products rated at AC 400 V and AC 500 V are suitable for AC 400-V and AC 690-V AC/DC converters.

(2) Low-loss capacitors are required for snubber capacitors (C5, C6), since high-frequency switching is applied.
Accordingly, temperature compensation-type (Class 1) capacitors are recommended.

On the other hand, for C7, high capacity is required since high frequency noise components must be removed. For this, high dielectric constant (Class 2) capacitors are recommended.

Graph of Example of DC Bias by Temperature Characteristics
Fig. 3 Example of DC Bias by Temperature Characteristics

(3) Relatively large-capacity capacitors are required for smoothing capacitors (C4, C8) to remove low-frequency noise.

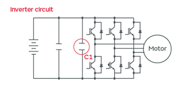
Example of Applied Circuit (inverter circuit)

Image of Inverter Circuit
Fig. 4 Inverter Circuit

The above is an example of a general circuit for an inverter.

Removal of the high-frequency noise component is required for snubber capacitors (C1).

Circuit example (power supply for circuit breaker)

Image of Power supply for circuit breaker
Fig . 5 Power supply for circuit breaker

The above example shows a power supply used in a circuit breaker.

(1) Smoothing capacitors (C1) must be relatively large capacitors to eliminate low frequency noise.

(2) Primary and secondary coupling capacitors (C2) must be capacitors that have obtained safety standard certification.
AC 500-V and AC 400-V rated products are suitable for supplying power to breakers through high impulse resistance.

Other Links

Related products

Related articles